⏰ 1989 Chevy Astro Van Wiring Diagram: Master Your Electrical System in 3 Steps

Discover the essential 1989 Chevy Astro Van Wiring Diagram. Unravel the intricacies of your van's electrical system with comprehensive schematics and troubleshooting guidance.

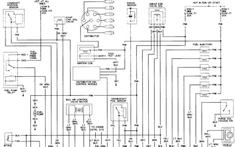
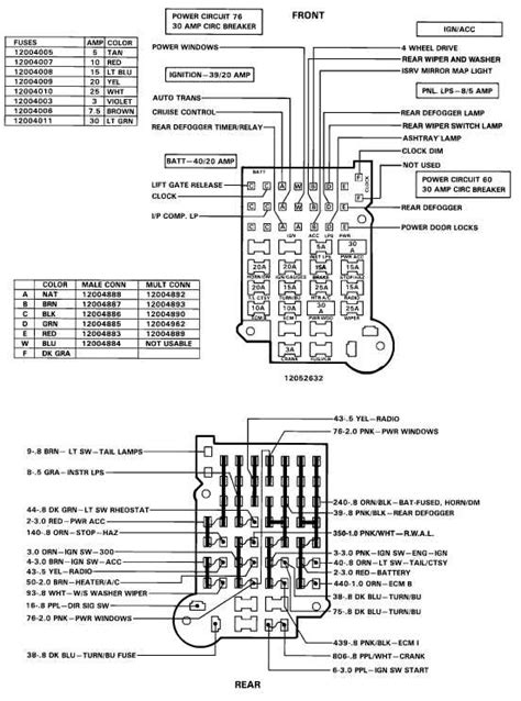
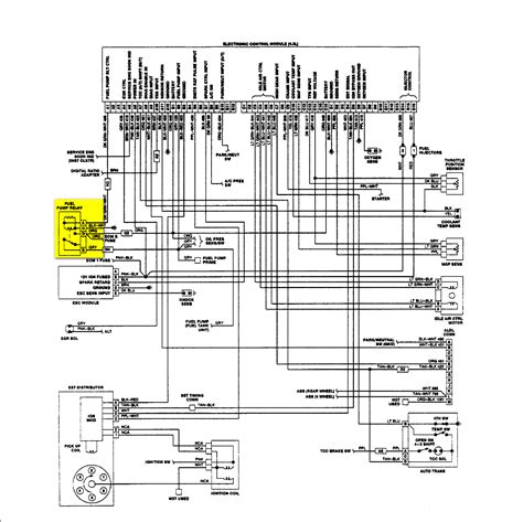
In the intricate world of automotive electrical systems, the 1989 Chevy Astro Van Wiring Diagram serves as a crucial blueprint, guiding technicians and enthusiasts through the labyrinth of wires and connections that power these vehicles. As an invaluable tool for diagnosing electrical issues and understanding the intricacies of the van's circuitry, this schematic document offers a comprehensive insight into the functioning of various components. Delving into wiring diagrams and schematics enables a deeper comprehension of the van's electrical architecture, facilitating efficient troubleshooting and maintenance procedures. This article will explore the 1989 Chevy Astro Van Wiring Diagram and delve into the fundamental principles underlying electrical schematics, providing a comprehensive understanding of their significance within automotive engineering and repair contexts.

1989 Chevy Astro Van Wiring Diagram: Master Your Electrical System in 3 Steps

Understanding Wiring Diagrams and Schematics

Understanding Wiring Diagrams and Schematics

Wiring diagrams and schematics are essential tools in understanding the electrical systems of vehicles like the 1989 Chevy Astro Van. These diagrams depict the layout and connections of electrical components, providing a visual roadmap for technicians and enthusiasts.

The Significance of Wiring Diagrams

The Significance of Wiring Diagrams

Wiring diagrams serve as blueprints for understanding and troubleshooting electrical issues within vehicles. For the 1989 Chevy Astro Van, these diagrams are indispensable in identifying faulty connections or malfunctioning components.

Interpreting Symbols and Codes

Interpreting Symbols and Codes

Understanding the symbols and codes used in wiring diagrams is crucial for accurate interpretation. Symbols represent various electrical components, while codes indicate wire colors and connection points.

Navigation Through Diagrams

Navigation Through Diagrams

Navigating through wiring diagrams requires attention to detail and systematic analysis. Technicians follow the flow of circuits, tracing wires and connections to identify potential issues.

Identifying Components and Connections

Identifying Components and Connections

Wiring diagrams facilitate the identification of components and their respective connections within the 1989 Chevy Astro Van. This enables targeted troubleshooting and efficient repair processes.

Diagnosing Electrical Issues

Diagnosing Electrical Issues

Through the use of wiring diagrams, technicians can diagnose various electrical issues plaguing the 1989 Chevy Astro Van. From faulty switches to broken wires, these diagrams offer insights into the root causes of problems.

Ensuring Proper Installation

Ensuring Proper Installation

Wiring diagrams also play a crucial role in ensuring proper installation of new components or modifications. Following the correct wiring layout prevents errors and ensures optimal performance.

Enhancing Safety and Efficiency

Enhancing Safety and Efficiency

Overall, wiring diagrams contribute to enhancing safety and efficiency in vehicle maintenance and repair. By providing a clear understanding of electrical systems, these diagrams empower technicians to carry out tasks effectively and safely.

Conclusion:

Thank you for exploring the intricacies of the 1989 Chevy Astro Van Wiring Diagram with us. We trust that the insights gained from our detailed discussions on wiring diagrams and schematics have provided you with a deeper understanding of your vehicle's electrical system. By delving into the wiring diagram and schematic topics, you've equipped yourself with valuable knowledge to navigate through potential electrical issues and perform maintenance tasks efficiently.As you continue to delve into the realm of automotive electrical systems, we encourage you to explore further resources and articles on wiring diagrams and schematics. By continually expanding your understanding of these fundamental concepts, you empower yourself to tackle any electrical challenges that may arise with confidence. Remember, a thorough comprehension of your 1989 Chevy Astro Van Wiring Diagram is key to ensuring the optimal performance and longevity of your vehicle. Stay curious, stay informed, and happy exploring!

Keyword:1989 Chevy Astro Van Wiring Diagram

Related Keywords:Troubleshooting, Wiring Diagram, Electrical System, Automotive Engineering, schematics, Maintenance tasks, Chevy Astro


Comments

Popular posts from this blog

⏰ Unlocking the 1990 Peterbilt 379 Headlight Wiring Diagram: Deciphering Vital Schematics

📩 1992 Cadillac Eldorado Blower Fan Wiring Diagram: Unveiling the Electrical Blueprint

💎 Unlock the Mysteries: 5 Secrets of the 1984 Toyota Pickup Engine Diagram