⏰ Unlocking the 1990 Peterbilt 379 Headlight Wiring Diagram: Deciphering Vital Schematics

Discover the intricacies of the 1990 Peterbilt 379 headlight wiring diagram. Unravel vital schematics for optimal truck performance.

In the world of trucking, the 1990 Peterbilt 379 stands as an iconic model renowned for its rugged reliability and timeless design. Yet, beneath its formidable exterior lies a network of intricate wiring, vital for its functioning. This article delves into the headlight wiring diagram, unraveling the complexities of this essential component.Transitioning from the macro to the micro, we explore the schematic intricacies, shedding light on the connections that ensure optimal performance. From understanding wire colors to deciphering circuit layouts, every detail serves a crucial role in maintaining operational integrity. Join us as we navigate through the technical terrain, unraveling the mysteries of the 1990 Peterbilt 379 headlight wiring diagram with clarity and precision.

Unlocking the 1990 Peterbilt 379 Headlight Wiring Diagram: Deciphering Vital Schematics

Understanding Wiring Diagrams and Schematics

Wiring Diagrams and Schematics

When it comes to wiring diagrams and schematics, it's essential to grasp their significance in the world of automotive engineering. These visual representations serve as roadmaps, guiding technicians through the intricate networks of electrical systems within vehicles.

The Importance of Clarity

Clarity in Wiring Diagrams

Clarity is paramount in wiring diagrams and schematics. A clear, concise diagram ensures that technicians can accurately interpret and follow the wiring paths, minimizing the risk of errors during repairs or installations.

Deciphering Wire Colors

Wire Colors

One of the fundamental aspects of understanding a wiring diagram is deciphering wire colors. Different colors denote various functions, such as power, ground, or signal, enabling technicians to identify and troubleshoot electrical issues efficiently.

Interpreting Circuit Layouts

Circuit Layouts

Within a wiring diagram, the circuit layouts serve as blueprints for the electrical pathways within a vehicle. Understanding these layouts is crucial for pinpointing potential points of failure and ensuring proper connectivity.

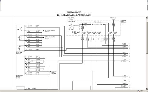
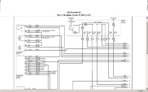
Exploring the 1990 Peterbilt 379 Headlight Wiring Diagram

1990 Peterbilt 379 Headlight Wiring Diagram

Specifically focusing on the 1990 Peterbilt 379 headlight wiring diagram, let's delve into the intricacies of this vital component of the truck's electrical system.

Analyzing Headlight Circuits

Headlight Circuits

The headlight circuits within the wiring diagram are essential for illuminating the road ahead. Analyzing these circuits helps technicians diagnose and resolve issues related to headlight functionality.

Identifying Components and Connections

Components and Connections

Within the wiring diagram, identifying components and connections is crucial for understanding how electricity flows through the headlight system. This knowledge aids in troubleshooting and repairing any faults.

Ensuring Optimal Performance

Optimal Performance

By comprehensively studying the 1990 Peterbilt 379 headlight wiring diagram, technicians can ensure that the truck's headlights operate at optimal performance, promoting safety and efficiency on the road.

Conclusion:

Thank you for exploring the intricacies of the 1990 Peterbilt 379 Headlight Wiring Diagram with us. We hope this comprehensive guide has provided valuable insights into understanding the complexities of wiring diagrams and schematic topics, particularly within the context of this iconic truck model.As you continue your journey in the realm of truck maintenance and electrical systems, remember the importance of referring back to reliable resources such as this article. Whether you're troubleshooting issues or seeking to enhance performance, a thorough understanding of the headlight wiring diagram is essential. Stay tuned for more informative content and practical insights into optimizing your Peterbilt 379 experience. Should you have any further questions or topics you'd like us to explore, don't hesitate to reach out. Until next time, drive safely and keep those headlights shining bright!

Keyword:1990 Peterbilt 379 Headlight Wiring Diagram

Related Keywords:Wiring Diagram, schematic, Peterbilt 379, Headlight, Truck Maintenance


Comments

Popular posts from this blog

📩 1992 Cadillac Eldorado Blower Fan Wiring Diagram: Unveiling the Electrical Blueprint

💎 Unlock the Mysteries: 5 Secrets of the 1984 Toyota Pickup Engine Diagram